| Image |
GLGR |
Image # |
Name |
Note |
Data Input by Model |
 |
800 |
80000 |
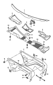
bodywork primed, with
lids, wings and
doors, foam filled, sealed
and with underbody protection
.
|
|
|
 |
800 |
80090 |
seal body
|
|
|
 |
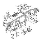
803 |
80300 |
side member a-pillar, inner
|
front |
|
 |
803 |
80310 |
floor assembly
|
front |
|
 |
803 |
80335 |
bungs body
|
front center |
|
 |
803 |
80336 |
bungs body
|
center rear |
|
 |
803 |
80340 |
side member
|
rear |
|
 |
803 |
80350 |
boot floor plate
|
|
|
 |
804 |
80400 |
heat insulation for floor connecting strut for
floor plate
|
|
|
 |
804 |
80450 |
towbar, removable
|
|
|
 |
805 |
80500 |
bodywork front part
|
|
|
 |
807 |
80700 |
bumper
|
front |
|
 |
807 |
80750 |
bumper
|
rear |
PR:K8C |
 |
807 |
80760 |
bumper
|
rear |
PR:K8R |
 |
809 |
80900 |
side part
|
inner |
COUPE |
 |
809 |
80910 |
side part
|
inner |
SPORTBACK |
 |
809 |
80950 |
side part
|
outer |
PR:K8C |
 |
809 |
80960 |
side part
|
outer |
PR:K8R |
 |
809 |
80990 |
fuel filler flap
|
|
|
 |
813 |
81300 |
cross panel rear panel wheel housing inner part
|
rear |
|
 |
817 |
81700 |
roof
|
|
|
 |
819 |
81910 |
auxiliary heater for coolant
circuit D >> - 02.11.2009
|
|
|
 |
819 |
81911 |
auxiliary heater for coolant
circuit D - 02.11.2009>>
|
|
|
 |
819 |
81916 |
auxiliary heater for coolant
circuit
|
|
|
 |
819 |
81930 |
water deflector
|
|
|
 |
819 |
81935 |
air and footwell heater ducts,
air hoses and vents water deflector
|
|
|
 |
819 |
81937 |
air and footwell heater ducts,
air hoses and vents
|
|
|
 |
819 |
81940 |
control and display panel
for air-conditioning system
climatronic
|
|
|
 |
819 |
81941 |
control and display panel
for air-conditioning system
climatronic
|
|
|
 |
819 |
81945 |
heat exchanger coolant hoses
|
|
4-cylinder+ petr. engine |
 |
819 |
81946 |
heat exchanger coolant hoses D >> - 31.08.2009
|
|
4-cylinder+ diesel eng. |
 |
819 |
81947 |
heat exchanger coolant hoses D - 31.08.2009>>
|
|
4-cylinder+ diesel eng.+ PR:9M0 |
 |
819 |
81950 |
heat exchanger coolant hoses
|
|
6-cylinder+ petr. engine |
 |
819 |
81955 |
heat exchanger coolant hoses
|
|
6-cylinder+ diesel eng. |
 |
819 |
81960 |
heat exchanger coolant hoses
|
|
8-cylinder+ PR:9M0 |
 |
820 |
82030 |
air-conditioning system with
electronic regulation D >> - 03.03.2008*
|
|
|
 |
820 |
82031 |
air-conditioning system with
electronic regulation D - 03.03.2008>>*
|
|
|
 |
820 |
82045 |
external temperature sensor
|
front |
|
 |
821 |
82100 |
wing
|
front |
|
|
821 |
82150 |
wheel housing liner |
|
|
 |
821 |
82150 |
wheel housing liner
|
front |
|
 |
821 |
82150 |
wheel housing liner
|
rear |
|
 |
823 |
82300 |
bonnet
|
|
|
 |
825 |
82500 |
underbody trim
|
|
|
 |
827 |
82700 |
rear lid
|
|
COUPE |
 |
827 |
82750 |
rear lid
|
|
SPORTBACK |
 |
831 |
83110 |
doors door seal
|
|
COUPE |
 |
831 |
83120 |
doors door seal
|
front |
SPORTBACK |
 |
833 |
83310 |
doors door seal
|
rear |
SPORTBACK |
 |
837 |
83700 |
door handle, exterior
|
front |
|
 |
837 |
83710 |
lock cylinders key
|
|
COUPE |
 |
837 |
83715 |
lock cylinders key
|
|
SPORTBACK |
 |
837 |
83730 |
door lock inner actuator
|
|
COUPE |
 |
837 |
83735 |
door lock inner actuator
|
|
SPORTBACK |
 |
837 |
83760 |
window regulator window aperture seal
|
|
COUPE |
 |
837 |
83765 |
window regulator window aperture seal
|
front |
SPORTBACK |
 |
839 |
83900 |
door handle, exterior
|
rear |
SPORTBACK |
 |
839 |
83930 |
door lock inner actuator
|
|
SPORTBACK |
 |
839 |
83960 |
window regulator window aperture seal
|
rear |
SPORTBACK |
 |
845 |
84500 |
windscreen
|
|
|
|
845 |
84530 |
door and side window |
|
COUPE |
 |
845 |
84530 |
door window
|
|
COUPE |
 |
845 |
84530 |
side window
|
|
COUPE |
|
845 |
84540 |
door and side window |
|
SPORTBACK |
 |
845 |
84540 |
door window
|
|
SPORTBACK |
 |
845 |
84540 |
side window
|
|
SPORTBACK |
 |
845 |
84540 |
window replacement adhesives and sealing compound
|
|
SPORTBACK |
 |
845 |
84550 |
rear window
|
|
|
 |
853 |
85310 |
molding - roof window slot seal with
trim strip sill trim strip stone chip guard
|
|
COUPE |
 |
853 |
85320 |
side member trim molding - roof window slot seal with
trim strip sill trim strip b-pillar trim
|
|
SPORTBACK |
|
853 |
85341 |
radiator grille inscriptions/lettering |
rear side |
|
 |
853 |
85341 |
radiator grille
|
|
|
 |
853 |
85341 |
inscriptions/lettering
|
rear side |
|
 |
857 |
85700 |
cross member for dash panel
|
|
|
 |
857 |
85710 |
dashboard dashboard fittings
|
|
|
 |
857 |
85720 |
glove compartment
|
|
|
|
857 |
85730 |
ashtray |
|
|
 |
857 |
85730 |
ashtray
|
front |
|
 |
857 |
85730 |
ashtray
|
rear |
|
 |
857 |
85740 |
interior/exterior mirror D >> - MJ 2009
|
|
|
 |
857 |
85745 |
interior/exterior mirror D - MJ 2010>>
|
|
COUPE |
 |
857 |
85746 |
interior/exterior mirror
|
|
SPORTBACK |
 |
857 |
85750 |
sun visor grab handle, folding D >> - MJ 2009
|
|
|
 |
857 |
85751 |
sun visor grab handle, folding D - MJ 2010>>
|
|
|
 |
857 |
85760 |
three-point safety belt ***** caution hazardous ****** see workshop manual
|
front |
|
|
857 |
85770 |
three-point safety belt |
rear |
|
 |
857 |
85770 |
three-point safety belt
|
rear |
|
|
860 |
86000 |
warning triangle retainer for warning triangle first-aid bag luggage net |
|
|
 |
860 |
86000 |
warning triangle retainer for warning triangle
|
|
|
 |
860 |
86000 |
first-aid bag
|
|
|
 |
860 |
86000 |
luggage net
|
|
|
 |
860 |
86010 |
fire extinguishers F >> 8T-9-027 671
|
lhd passenger side |
PR:1T4 |
|
860 |
86011 |
fire extinguishers F 8T-9-027 672>> |
lhd passenger side |
PR:1T4 |
 |
860 |
86011 |
fire extinguishers F 8T-9-027 672>>
|
lhd passenger side |
PR:1T4 |
 |
860 |
86011 |
holder for fire extinguisher F 8T-9-027 672>>
|
lhd passenger side |
"BR." |
 |
861 |
86100 |
roller sunblind
|
|
COUPE |
 |
863 |
86300 |
floor covering
|
|
COUPE |
 |
863 |
86301 |
floor covering
|
|
SPORTBACK |
 |
863 |
86305 |
trim for rear shelf
panel
|
|
COUPE |
 |
863 |
86310 |
stowage compartment
|
driver side |
|
 |
863 |
86320 |
sound abs. for engine bonnet sound absorbers
|
|
|
|
863 |
86325 |
noise insulation cover for jointed shaft |
front |
|
 |
863 |
86325 |
noise insulation
|
front |
PR:1SA,1SJ |
 |
863 |
86325 |
noise insulation
|
front |
PR:1SB,1SH |
 |
863 |
86325 |
noise insulation individual parts
|
front |
|
 |
863 |
86325 |
noise insulation
|
rear |
|
 |
863 |
86325 |
noise insulation individual parts
|
rear |
|
 |
863 |
86325 |
cover for jointed shaft
|
front |
|
 |
863 |
86350 |
centre console
|
|
|
 |
863 |
86355 |
gear selector knob with
selector lever trim
|
|
manual
gearbox |
 |
863 |
86360 |
middle armrest
|
front |
PR:6E3 |
 |
863 |
86380 |
luggage boot trims
|
|
COUPE |
 |
863 |
86390 |
luggage boot trims
|
|
SPORTBACK |
|
867 |
86700 |
door trim panels |
2 doors |
|
 |
867 |
86700 |
door trim panels rework if necessary use if required:
|
2 doors 8E0 867 443 |
PR:N0B,N5F, N2E |
 |
867 |
86700 |
door trim panels rework if necessary use if required:
|
2 doors 8E0 867 443 |
PR:N7V |
 |
867 |
86700 |
door trim panels rework if necessary use if required:
|
2 doors 8E0 867 443 |
PR:N5W,N1Y |
 |
867 |
86700 |
door trim panels rework if necessary use if required:
|
2 doors 8E0 867 443 |
PR:N7K,N7U |
 |
867 |
86700 |
door trim panels rework if necessary use if required:
|
2 doors 8E0 867 443 |
PR:N5L,N7N, N7U |
 |
867 |
86700 |
door trim panels rework if necessary use if required:
|
2 doors 8E0 867 443 |
PR:N5D,N1V, N4X |
 |
867 |
86700 |
door trim panels rework if necessary use if required:
|
2 doors 8E0 867 443 |
PR:N1U |
 |
867 |
86700 |
individual parts door trim panels
|
2 doors |
|
|
867 |
86710 |
door trim panels |
front 4-door |
|
 |
867 |
86710 |
door panel trim (cloth) rework if necessary use if required:
|
4-door 8E0 867 443 |
PR:N0B,N2E |
 |
867 |
86710 |
door panel trim (cloth) rework if necessary use if required:
|
4-door 8E0 867 443 |
PR:N7V |
 |
867 |
86710 |
door trim (leatherette) rework if necessary use if required:
|
4-door 8E0 867 443 |
PR:N1Y,N5W |
 |
867 |
86710 |
door trim (alcantara) rework if necessary use if required:
|
4-door 8E0 867 443 |
PR:N7K,N7U |
 |
867 |
86710 |
door panel trim (leather) rework if necessary use if required:
|
4-door 8E0 867 443 |
PR:N1V,N4X, N5D |
 |
867 |
86710 |
door panel trim (leather) rework if necessary use if required:
|
4-door 8E0 867 443 |
PR:N1U |
 |
867 |
86710 |
individual parts door trim panels
|
4-door |
|
|
867 |
86740 |
door trim panels |
rear |
|
 |
867 |
86740 |
door trim panels use if required:
|
rear 8E0 867 443 |
|
 |
867 |
86740 |
individual parts door trim panels
|
rear |
|
|
867 |
86750 |
side panel trim |
|
COUPE |
 |
867 |
86750 |
side panel trim with
arm rest (leather)
|
|
COUPE |
 |
867 |
86750 |
side panel trim with
arm rest
|
|
COUPE |
 |
867 |
86750 |
individual parts
|
|
COUPE |
 |
867 |
86755 |
roof trim roof reinforcement
|
|
COUPE |
 |
867 |
86756 |
roof trim roof reinforcement
|
|
SPORTBACK |
 |
867 |
86765 |
pillar trim
|
|
COUPE |
 |
867 |
86766 |
pillar trim
|
|
SPORTBACK |
 |
867 |
86790 |
rear lid trim panel
|
|
COUPE |
 |
867 |
86795 |
rear lid trim panel cover for luggage boot
|
|
SPORTBACK |
 |
877 |
87700 |
glass sunroof
|
|
COUPE |
 |
877 |
87710 |
glass sunroof
|
|
SPORTBACK |
|
880 |
88000 |
airbag unit for steering wheel D >> - 03.09.2007 |
|
COUPE |
 |
880 |
88000 |
airbag unit for steering wheel ***** caution hazardous ****** see workshop manual D >> - 03.09.2007
|
|
|
|
880 |
88001 |
airbag unit for steering wheel D - 03.09.2007>>*- 02.08.2010 |
|
COUPE |
 |
880 |
88001 |
airbag unit for steering wheel ***** caution hazardous ****** see workshop manual D - 03.09.2007>>*- 02.08.2010
|
|
4-cylinder+ diesel eng. |
 |
880 |
88001 |
airbag unit for steering wheel ***** caution hazardous ****** see workshop manual D - 03.09.2007>>*- 02.08.2010
|
|
4-cylinder+ petrol eng.+ automatic |
 |
880 |
88001 |
airbag unit for steering wheel ***** caution hazardous ****** see workshop manual D - 03.09.2007>>*- 02.08.2010
|
|
4-cylinder+ petrol eng.+ manual
gearbox |
 |
880 |
88001 |
airbag unit for steering wheel ***** caution hazardous ****** see workshop manual D - 03.09.2007>>*- 02.08.2010
|
|
6-,8-cyl. |
 |
880 |
88001 |
individual parts airbag unit D - 03.09.2007>>*- 02.08.2010
|
|
|
|
880 |
88002 |
airbag unit for steering wheel D - 02.08.2010>>*- 23.05.2011 |
|
COUPE |
 |
880 |
88002 |
individual parts airbag unit D - 02.08.2010>>*- 23.05.2011
|
|
|
|
880 |
88003 |
airbag unit for steering wheel D - 23.05.2011>> |
|
COUPE |
 |
880 |
88003 |
airbag unit for steering wheel ***** caution hazardous ****** see workshop manual D - 23.05.2011>>
|
|
|
 |
880 |
88003 |
individual parts airbag unit D - 03.09.2007>>*
|
|
|
|
880 |
88004 |
airbag unit for steering wheel D >> - 02.08.2010 |
|
SPORTBACK |
 |
880 |
88004 |
airbag unit for steering wheel ***** caution hazardous ****** see workshop manual
|
|
4-cylinder+ diesel eng. |
 |
880 |
88004 |
airbag unit for steering wheel ***** caution hazardous ****** see workshop manual
|
|
4-cylinder+ petrol eng.+ automatic |
 |
880 |
88004 |
airbag unit for steering wheel ***** caution hazardous ****** see workshop manual
|
|
4-cylinder+ petrol eng.+ manual
gearbox |
 |
880 |
88004 |
airbag unit for steering wheel ***** caution hazardous ****** see workshop manual
|
|
6-,8-cyl. |
 |
880 |
88004 |
individual parts airbag unit
|
|
|
|
880 |
88005 |
airbag unit for steering wheel D - 02.08.2010>> - 23.05.2011 |
|
SPORTBACK |
 |
880 |
88005 |
airbag unit for steering wheel ***** caution hazardous ****** see workshop manual
|
|
4-cylinder+ diesel eng. |
 |
880 |
88005 |
airbag unit for steering wheel ***** caution hazardous ****** see workshop manual
|
|
4-cylinder+ petrol eng.+ automatic |
 |
880 |
88005 |
airbag unit for steering wheel ***** caution hazardous ****** see workshop manual
|
|
4-cylinder+ petrol eng.+ manual
gearbox |
 |
880 |
88005 |
airbag unit for steering wheel ***** caution hazardous ****** see workshop manual
|
|
6-,8-cyl. |
 |
880 |
88005 |
individual parts airbag unit
|
|
|
|
880 |
88006 |
airbag unit for steering wheel D - 23.05.2011>> |
|
SPORTBACK |
 |
880 |
88006 |
airbag unit for steering wheel ***** caution hazardous ****** see workshop manual
|
|
|
 |
880 |
88006 |
individual parts airbag unit
|
|
|
|
880 |
88010 |
airbag unit (passenger side) |
|
|
 |
880 |
88010 |
airbag unit (passenger side) ***** caution hazardous ****** see workshop manual
|
|
|
|
880 |
88020 |
side airbag unit |
|
|
 |
880 |
88020 |
side airbag unit ***** caution hazardous ****** see workshop manual
|
|
|
|
880 |
88030 |
head airbag unit |
|
|
 |
880 |
88030 |
head airbag unit ***** caution hazardous ****** see workshop manual
|
|
|
 |
881 |
88100 |
seat frame
|
front right front |
PR:3L3 PR:3PB |
 |
881 |
88110 |
seat frame (electrically
adjustable)
|
front left front right front |
PR:3L4-3L5 PR:3PB PR:3PE |
 |
881 |
88150 |
backrest frame
|
front |
|
 |
881 |
88160 |
seat padding padding for backrest seat and backrest cover
|
2 doors |
|
 |
881 |
88162 |
seat padding padding for backrest seat and backrest cover
|
4-door |
|
 |
881 |
88170 |
cover for guide
rail
|
|
|
 |
885 |
88520 |
seat
|
rear |
PR:K8C |
 |
885 |
88521 |
seat
|
rear |
PR:K8R |
|
885 |
88570 |
backrest, split backrest covers middle armrest head restaints central mounting for
split backrest individual parts for vehicles with child seat |
rear |
|
 |
885 |
88570 |
backrest, split
|
rear |
|
 |
885 |
88570 |
backrest covers
|
|
|
 |
885 |
88570 |
middle armrest
|
|
|
 |
885 |
88570 |
head restaints
|
|
|
 |
885 |
88570 |
central mounting for
split backrest
|
|
|