| Image |
GLGR |
Image # |
Name |
Note |
Data Input by Model |
 |
300 |
30005 |
5-speed manual transmission
|
MQ200 |
QTS |
 |
300 |
30009 |
6-speed manual transmission
|
MQ200 |
SEP |
 |
300 |
30010 |
5-speed manual transmission
|
MQ200 |
|
 |
300 |
30012 |
6-speed manual transmission
|
MQ200 |
|
 |
300 |
30015 |
5-speed manual transmission
|
MQ250 |
|
 |
300 |
30016 |
5-speed manual transmission
|
MQ250 |
|
 |
300 |
30018 |
5-speed manual transmission
|
MQ250 |
|
 |
300 |
30019 |
6-speed automatic gearbox
|
AQ160 |
QDM |
 |
300 |
30030 |
7-speed dual clutch gearbox
|
DQ200 |
petrol eng.+ CHZB,CHZC, DKRC |
 |
300 |
30033 |
7-speed dual clutch gearbox
|
DQ200 |
petrol eng.+ CJZC,CZCA |
 |
300 |
30036 |
7-speed dual clutch gearbox
|
DQ200 |
diesel eng.+ CUSB |
 |
300 |
30053 |
mounting parts for engine and
transmission for 5 speed manual transmiss.
|
MQ200 |
QTS |
 |
300 |
30054 |
autom. gearbox, complete 7-speed dual clutch gearbox
|
DQ200 |
|
 |
300 |
30055 |
autom. gearbox, complete 6-speed automatic gearbox
|
AQ250 |
|
 |
300 |
30056 |
mounting parts for engine and
transmission 5-speed manual transmission
|
MQ250 |
PPH,QXR,RSY |
 |
300 |
30071 |
mounting parts for engine and
transmission for 5 speed manual transmiss.
|
|
MFX,MKG,NVS, PED,NJV |
 |
300 |
30072 |
mounting parts for engine and
transmission for 5 speed manual transmiss.
|
|
LGQ |
 |
300 |
30073 |
mounting parts for engine and
transmission 5 & 6 speed manual gearbox
|
MQ200 |
NBU,NTD,PRN, PRP,PRQ,SEP |
 |
300 |
30074 |
mounting parts for engine and
transmission 5-speed manual transmission
|
|
MZL,MZM,MZS, QYC,PHB,RTE |
 |
300 |
30075 |
mounting parts for engine and
transmission for 6-speed automatic gearbox for vehicles with tiptronic
|
AQ160 |
QDM |
 |
300 |
30084 |
mounting parts for engine and
transmission for 6-speed automatic gearbox
|
|
MFZ,QAW |
 |
300 |
30085 |
mounting parts for engine and
transmission for 7-speed dual clutch
gearbox
|
|
NUA,PMT,PKX, PWE,QHF,QRC |
 |
300 |
30086 |
mounting parts for engine and
transmission for 7-speed dual clutch
gearbox
|
DQ200 |
CJZC,CJZD, CZCA,CHZB, CHZC |
 |
300 |
30087 |
mounting parts for engine and
transmission for 7-speed dual clutch
gearbox
|
DQ200 |
CUSB |
 |
300 |
30088 |
mounting parts for engine and
transmission for 7-speed dual clutch
gearbox
|
DQ200 |
CAYB |
 |
300 |
30010 |
outer components for 5-speed manual transmission
|
MQ200 |
USU |
 |
300 |
30020 |
inner components for 5-speed manual transmission
|
MQ200 |
USU |
 |
300 |
30000 |
7-speed dual clutch gearbox
|
DQ200 |
UBR |
 |
300 |
30030 |
outer components for 7-speed dual clutch gearbox
|
DQ200 |
UBR |
 |
300 |
30040 |
mechatronic with software for 7-speed dual clutch
gearbox
|
DQ200 |
UBR |
 |
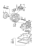
301 |
30108 |
gear housing for 5 speed manual transmiss.
|
MQ200 |
QTS |
 |
301 |
30133 |
gear housing for 5 speed manual transmiss.
|
|
NVS |
 |
301 |
30134 |
gear housing for 5 speed manual transmiss.
|
|
MKG |
 |
301 |
30135 |
gear housing for 5 speed manual transmiss.
|
|
MFX |
 |
301 |
30136 |
gear housing for 5 speed manual transmiss.
|
|
LGQ |
 |
301 |
30137 |
gear housing for 6 speed manual gearbox
|
MQ200 |
NBU,NTD,PRN, PRP |
 |
301 |
30138 |
gear housing for 5 speed manual transmiss.
|
MQ200 |
NJV,PED |
 |
301 |
30139 |
gear housing for 6 speed manual gearbox
|
MQ200 |
PRQ |
 |
301 |
30140 |
gear housing for 5 speed manual transmiss.
|
|
MZL,MZM,MZS |
 |
301 |
30141 |
gear housing for 5 speed manual transmiss.
|
MQ250 |
PPH,QXR,RSY |
 |
301 |
30142 |
gear housing for 5 speed manual transmiss.
|
MQ250 |
PHB,QYC,RTE |
 |
301 |
30143 |
gear housing for 6 speed manual gearbox
|
MQ200 |
SEP |
 |
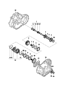
311 |
31109 |
gears and shafts output shaft for 5 speed manual transmiss.
|
MQ200 |
NJV,PED |
 |
311 |
31110 |
gears and shafts input shaft for 5 speed manual transmiss.
|
MQ200 |
NJV,PED |
 |
311 |
31111 |
gears and shafts output shaft for 5 speed manual transmiss.
|
MQ200 |
QTS |
 |
311 |
31112 |
gears and shafts input shaft for 5 speed manual transmiss.
|
MQ200 |
QTS |
 |
311 |
31115 |
gears and shafts output shaft for 5 speed manual transmiss.
|
MQ250 |
PPH,QXR,RSY |
 |
311 |
31116 |
gears and shafts input shaft for 5 speed manual transmiss.
|
MQ250 |
PPH,QXR,RSY |
 |
311 |
31132 |
gears and shafts output shaft for 5 speed manual transmiss.
|
|
MKG,MFX,NVS |
 |
311 |
31133 |
gears and shafts input shaft for 5 speed manual transmiss.
|
|
MKG,MFX,NVS |
 |
311 |
31134 |
gears and shafts output shaft for 5 speed manual transmiss.
|
|
LGQ |
 |
311 |
31135 |
gears and shafts input shaft for 5 speed manual transmiss.
|
|
LGQ |
 |
311 |
31136 |
gears and shafts output shaft for 6 speed manual gearbox
|
MQ200 |
NBU,NTD,PRN, PRP |
 |
311 |
31137 |
gears and shafts input shaft for 6 speed manual gearbox
|
MQ200 |
NBU,NTD,PRN, PRP |
 |
311 |
31138 |
gears and shafts output shaft for 5 speed manual transmiss.
|
MQ250 |
MZL,MZM,MZS |
 |
311 |
31139 |
gears and shafts input shaft for 5 speed manual transmiss.
|
MQ250 |
MZL,MZM,MZS |
 |
311 |
31140 |
gears and shafts output shaft for 5 speed manual transmiss.
|
MQ250 |
PHB,QYC,RTE |
 |
311 |
31141 |
gears and shafts input shaft for 5 speed manual transmiss.
|
MQ250 |
PHB,QYC,RTE |
 |
311 |
31142 |
gears and shafts output shaft for 6 speed manual gearbox
|
MQ200 |
SEP |
 |
311 |
31143 |
gears and shafts input shaft for 6 speed manual gearbox
|
MQ200 |
SEP |
 |
311 |
31144 |
gears and shafts output shaft for 6 speed manual gearbox
|
MQ200 |
PRQ |
 |
311 |
31145 |
gears and shafts input shaft for 6 speed manual gearbox
|
MQ200 |
PRQ |
 |
311 |
31183 |
shift rod shift rail selector fork for 5 speed manual transmiss.
|
MQ200 |
NJV,PED |
 |
311 |
31184 |
shift rod shift rail selector fork for 5 speed manual transmiss.
|
|
LGQ,MHX,MFX |
 |
311 |
31185 |
shift rod shift rail selector fork for 5 speed manual transmiss.
|
|
NVS,MKG |
 |
311 |
31186 |
shift rod shift rail selector fork for 5 speed manual transmiss.
|
MQ200 |
QTS,SEP |
 |
311 |
31187 |
shift rod shift rail selector fork for 5 speed manual transmiss.
|
MQ250 |
PPH,QXR,RSY |
 |
311 |
31188 |
shift rod shift rail selector fork for 6 speed manual gearbox
|
MQ200 |
NBU,NTD,PRN, PRP,PRQ |
 |
311 |
31189 |
shift rod shift rail selector fork for 6 speed manual gearbox
|
MQ200 |
SEP |
 |
311 |
31190 |
shift rod shift rail selector fork for 5 speed manual transmiss.
|
|
MZL,MZM,MZS |
 |
311 |
31191 |
switch unit selector fork for 5 speed manual transmiss.
|
MQ250 |
PHB,QYC,RTE |
 |
321 |
32120 |
converter oil sump valve body for 6-speed automatic gearbox
|
AQ160 |
QDM |
 |
321 |
32160 |
mechatronic with software for 7-speed dual clutch
gearbox
|
DQ200 |
petrol eng.+ CJZC,CZCA |
 |
321 |
32161 |
mechatronic with software for 7-speed dual clutch
gearbox
|
DQ200 |
petrol eng.+ CHZB,CHZC, DKRC |
 |
321 |
32162 |
mechatronic with software for 7-speed dual clutch
gearbox
|
DQ200/G1C |
|
 |
321 |
32164 |
mechatronic with software for 7-speed dual clutch
gearbox
|
DQ200 |
diesel eng.+ CUSB |
 |
321 |
32165 |
converter oil sump valve body for 6-speed automatic gearbox
|
|
MFZ,QAW |